|
||
全部產品分類
|
||



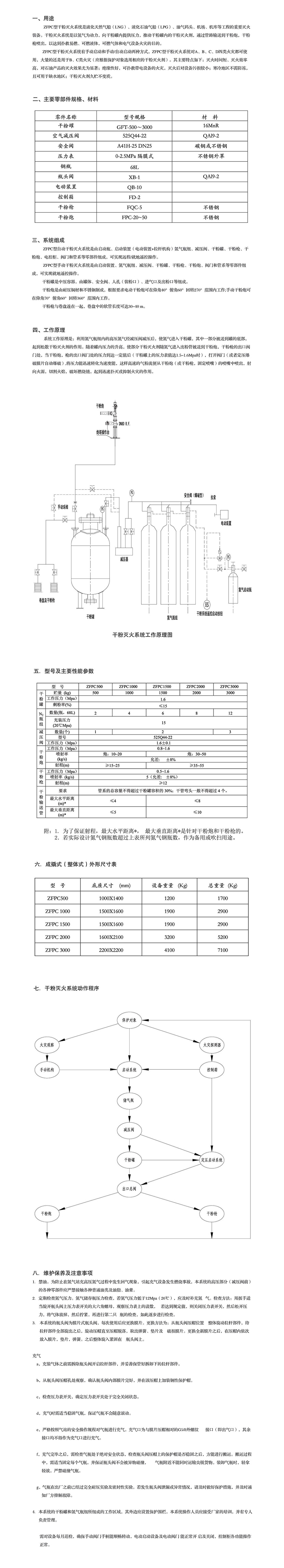
| 干粉滅火系統 | |||
| 干粉貯量: | 500kg | 瓶數: | 2瓶 |
| 干粉炮射程: | ≥15~25m | 干粉槍射程: | ≥12m |
| 干粉剩粉率: | ≤15% | 噴射率: | (10~20)±8%/5±8%kg/s(炮/槍) |
| 減壓閥個數: | 1個 | 底座尺寸: | 1000×1400mm |
| 總重量: | 1700kg | ||

| -供應商聯系方式- | |||||
|
|
公司名稱: | 上海安航海上消防設備有限公司 |
|
聯系人姓名: | 孔祥征 |
| 公司地址: | 上海市新華路543號2號樓19F | 聯系人電話: | 15800358542;021-63212280 | ||
| 聯系人郵箱: | shanghai-anxing@vip.163.com | ||||